ILCS Intermediate Layer Core Scanner

High resolution test system designed for inspecting ice bore samples

Intermediate Layer Core Scanner ILCS
Intermediate Layer Core Scanner ILCS
Intermediate Layer Core Scanner ILCS
Intermediate Layer Core Scanner ILCS
Intermediate Layer Core Scanner ILCS
Intermediate Layer Core Scanner ILCS
Intermediate Layer Core Scanner ILCS
Intermediate Layer Core Scanner ILCS
Stratigraphic scan
Stratigraphic scan
Interface: GigE
Microstructure mapping in polar ice coresIce
Research

Features

  • Monochrome scanner system
  • Scan size  105 x 1200 mm2
  • Max. ice core dimensions: 1200 x 103 x 50 mm³ (length x width x height)
  • Resolution 51 µm, 2048 x 23684 pixels (approx. 48.5 MByte) 
  • High resolution visual stratigrahy for imaging ice core laminar structures and then dating the samples
  • 2x LED line light for dark-field illumination
  • Operating temperature down to -25 °C

Description

The Intermediate Layer Core Scanner was specially developed to analyse ice cores using visual stratigraphy. It is used to examine samples up to 1.2 m in length with a resolution of 51 µm. The ILCS ILCS-2048-105-1200-Sys uses dark-field illumination in order to visualize the laminar structure of polar ice cores.

Scanner head
It consists of a monochrome line scan camera type SK2048GSD-4L with 2048 pixels and Gigabit Ethernet interface. A sample with 105 mm width and up to 1200 mm can be scanned with a speed of up to 22.7 mm/s. Total scanning time is ~53 s for an ice core sample of 1200 x 103 x 50 mm³.

Dark field illumination - Visualizing ice layers for dating the ice cores
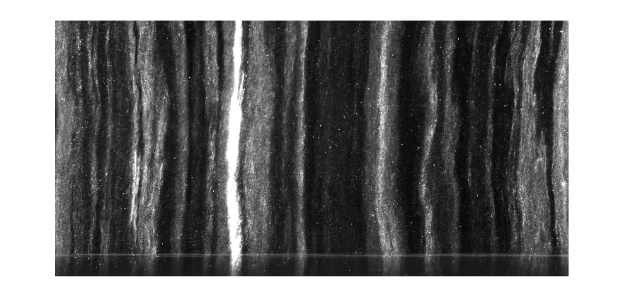
The annual variations in the amount of precipitation and the deposition of mineral dust and other particles lead to a layered structure of the ice. Visual stratigraphy visualizes these climate induced annual variations and helps to date the ice cores by counting the layers. Global climatic events, such as the eruptions of volcanoes are sometimes visible when the layers contain ash particles. After microtoming the sample on both sides, the layered structure is captured using the line scan camera based ILCS. The camera located above the sample is moved synchronously to an indirect light source, that is mounted on two sides below the sample. The LED light is focussed and directed at an angle. Only light scattered from the sample is directed back into the camera, direct light from the illumination unit does not reach the sensor. The figure in the right shows a stratigraphic image. Transparent ice appears dark while bubbles or dust particles appear as bright visible layers. The number density of layers in a core section characterizes the climate. Colder periods show more and brighter layers, whereas transparent, thus dark ice, indicates that the ice was formed during a milder climate period. Colored layers indicate volcanic ash layers. 

High resolution imaging in harsh environments
As the analysis of the microstructure needs to be done in the field during drilling as well as in the lab, the line scanners developped fo analyzing ice cores need to be robust and insensitive to the harsh environment. The components used (mechanical, optical as well as electrical) are designed to work properly at temperatures down to –25°C . Despite its dimensions, the ILCS is built in a compact way and can be shipped using a reusable, easy-to-handle packing. It is stable and robust enough to endure the long and bumpy ride to and from the drilling site. Both scanners -LASM and ILCS- have been used in the field in Antarctica as well as in Greenland multiple times. Whenever drilling is not ongoing they are used in the lab, e.g. at AWI in Bremerhaven or at the University of Alberta.

More information on dark-field illumination stratigraphy of ice cores can be found on
https://www.ualberta.ca/science/research-and-teaching/research/ice-core-archive/services.html

More information on microstructure mapping of ice cores using the LASM can be found on https://www.awi.de/forschung/geowissenschaften/glaziologie/werkzeuge/microstructure-mapping.html.

DEEPICE Project
http://pastglobalchanges.org/science/end-aff/deepice

Stratigraphic scan

Technical data

ILCS Intermediate Layer Core Scanner

Sensor Head
Line Sensor
2048 pixels
Scan width
105 mm
Max. Scan length
1200 mm
Resolution
51 µm / pixel, 2048 x 23684 pixels
Features
White Balance / Shading Correction, Anti-Blooming, Integration Control
Illumination
2 x LED Line illumination, dark-field illumination
Scanning velocity
up to 27.3 mm/s
Object weight
up to 114 kg (without granite base plate)
Base unit dimensions
1630 x 630 x 700 mm
Operating temperature
down to -25°C

Downloads

Manual
ILCS-2048-105-1250-Sys_E_web_516673.pdf (Manual)
Manual
ILCS-2048-105-1250-Sys_E_web_516673.pdf (Manual, for registered users only)
Technote
Article_IceCoreAnalysis.pdf (Technote)

Benefits of user registration include

  • Extended information for download including stepfiles, software or manuals
  • Direct download of user-specific downloads (e.g. user-specific software)
  • Access to previous online requests and the possibility to add complete previous lists to the "Request for quote" list
  • Stored item list
Click here to register.

Overview

Bit depth
SK8k-U3DR481923.5 x 3.5 µm28.7 mm43.4 kHzXXXUSB 3.08/10 Bit
SK4k-U3DR7C4096 x 27 x 7 µm28.7 mm43.4 kHzXXXUSB 3.08 Bit
SK22368GTFC-4L7456 x 34.7 x 4.7 µm35.0 mm5.1 kHzXGigE3*8 Bit
SK4096MVHW40967 x 200 µm28.7 mm2.4 kHzXXXGigE Vision8/12 Bit
SK2048MVHW204814 x 200 µm28.7 mm4.6 kHzXXXGigE Vision8/12 Bit
SK1024U3HA10248 x 8 µm8.2 mm52.6 kHzXXXXUSB 3.08/12 Bit
SK1024VJR-4102414 x 14 µm14.3 mm4.7 kHzXXGigE Vision8/12 Bit
SK1024GJR-4102414 x 14 µm14.3 mm4.7 kHzXXXGigE8/12 Bit
SK512U3SH51214 x 14 µm7.2 mm35.7 kHzXXXXUSB 3.08/12 Bit
SK2048VSH-4L204814 x 14 µm28.7 mm14 kHzXXXGigE Vision8/12 Bit
SK2048MVSH204814 x 14 µm28.7 mm14.1 kHzXXXGigE Vision8/12 Bit
SK2048GSH-4L204814 x 14 µm28.7 mm14 kHzXXXXGigE8/12 Bit
SK2048CSH204814 x 14 µm28.7 mm14 kHzXXXCamera Link8/12 Bit
SK1024VSH-4102414 x 14 µm14.3 mm27 kHzXXXGigE Vision8/12 Bit
SK1024U3SH102414 x 14 µm14.3 mm27 kHzXXXXUSB 3.08/12 Bit
SK1024MVSH102414 x 14 µm14.3 mm27 kHzXXXGigE Vision8/12 Bit
SK1024GSH-4102414 x 14 µm14.3 mm27 kHzXXXXGigE8/12 Bit
SK1024CSH102414 x 14 µm14.3 mm27 kHzXXXCamera Link8/12 Bit
SK7500VTF-4XB74967 x 7 µm52.5 mm8.3 kHzXGigE Vision8/12 Bit
SK7500GTF-4XB75007 x 7 µm52.5 mm8.3 kHzXXGigE8/12 Bit
SK7500CTF-XB75007 x 7 µm52.5 mm10.1 kHzXCamera Link8/12 Bit
SK7456U3TO74564.7 x 4.7 µm35.0 mm5.2 kHzXXUSB 3.08/12 Bit
SK512U3HU51225 x 500 µm12.8 mm26.3 kHzXXXXUSB 3.08/12 Bit
SK4096U3HW40967 x 200 µm28.7 mm2.4 kHzXXXXUSB 3.08/12 Bit
SK22800VJRC-4XC7600 x 39.3 x 9.3 µm70.9 mm4.9 kHzGigE Vision3*8 Bit
SK22800U3JRC-XC7600 x 39.3 x 9.3 µm70.9 mm6.2 kHzXUSB 3.03*8 Bit
SK22800GJRC-4XC7600 x 39.3 x 9.3 µm70.9 mm5.0 kHzXGigE3*8 Bit
SK22800CJRC-XC7600 x 39.3 x 9.3 µm70.9 mm6.2 kHzXCamera Link3*8 Bit
SK2048VJR-4L204814 x 14 µm28.7 mm4.7 kHzXXGigE Vision8/12 Bit
SK2048VHA-420488 x 8 µm16.4 mm52.6 kHzXXXGigE Vision8/12 Bit
SK2048U3SH204814 x 14 µm28.7 mm14 kHzXXXXUSB 3.08/12 Bit
SK2048U3JR204814 x 14 µm28.7 mm4.7 kHzXXXUSB 3.08/12 Bit
SK2048U3HW204814 x 200 µm28.7 mm6.9 kHzXXXXUSB 3.08/12 Bit
SK2048U3HU204812.5 x 500 µm25.6 mm7.1 kHzXXXXUSB 3.08/12 Bit
SK2048U3HA20488 x 8 µm16.4 mm52.6 kHzXXXXUSB 3.08/12 Bit
SK2048GJR-4L204814 x 14 µm28.7 mm4.7 kHzXXXGigE8/12 Bit
SK2048GHA-420488 x 8 µm16.4 mm52.6 kHzXXXXGigE8/12 Bit
SK2048CJR204814 x 14 µm28.7 mm4.7 kHzXXCamera Link8/12 Bit
SK2048CHA20488 x 8 µm16.4 mm52.6 kHzXXXCamera Link8/12 Bit
SK1024U3HV102425 x 500 µm25.6 mm13.9 kHzXXXXUSB 3.08/12 Bit
SK1024U3HU102412.5 x 500 µm12.8 mm13.9 kHzXXXXUSB 3.08/12 Bit